首页
产品中心
冷却机
热泵机组
空调机组
新风换气机
除尘机组
3C消防系列
风机盘管
配件及其他
成品库
资讯中心
公司新闻
行业新闻
技术资讯
案例展示
行业案例
粮食行业业绩
粮仓空调
质量保证
荣誉证书
3C资质
专利证书
检测设备
走进宝信
宝信简介
总经理致辞
公司环境
公司文化
宝信服务
售后服务
联系我们
冷却机
热泵机组
空调机组
新风换气机
除尘机组
3C消防系列
风机盘管
配件及其他
成品库
所在位置:
首页
>
产品中心
>
空调机组
>
远程射流空调机组
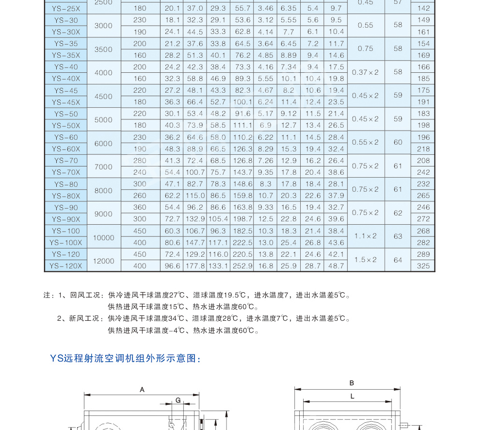
远程射流空调机组
远程射流空调机组适用于以下场合:
1、大空间,希望降低一次性投资,节省空调运行费用的场合;
2、室内上部空间不允许安装风管或难以安装风管的场合;
3、高大空间热风难以下送的场合。譬如:大型超市、厂房车间、体育场馆、游泳馆、候机大厅、展览馆、门厅、大堂等。
销售热线:15152662802
服务热线:0523-84560777、0523-84552599 (广告勿扰)
邮箱:jsbxkt@163.com
产品描述
上一条:
组合式空调机组...
下一条:
吊顶式空调机组...